Кабелна стълба LG 110, 3 м VS FS

Кат. № 6216416 | Електронен артикулен номер (EAN) 4012195065203

3000 mm
1,5 mm
не
Стомана
Лентово поцинкованe
Описание на продукта
Описание на продукта
Кабелна стълба с перфориран страничен борд с височина 110 mm, със занитени, отворени нагоре C-профилни напречни шпроси (изпълнение VS).
Магнитно затихване чрез екраниране без капак 10 dB, с капак 15 dB.

Кабелната стълба се доставя в сгънато състояние.

Подходящата BBS-скоба тип BS-H... ще намерите в раздел „Системи стълби“.

  • Магнитно затихване чрез екраниране
  • Communautés Européennes, EG Декларация за съответствие по директивите на EС
  • UKCA декларация за съответствие
  • Кабелна стълба, височина на борда 110 mm
  • Environmental Product Declaration (EPD)
  • CO₂ footprint (PCF)
Технически данни

Въглероден отпечатък CO2 (Product Carbon Footprint)

CO2 отпечатък (GWP) от люлка до портата 11,3076 кг CO2e / 1 Метър
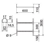
Височина 110 mm
Дебелина на борда 1,5 mm
Дължина 3000 mm
Едрогабаритно изпълнение не
Закрепване на шпросата занитване
Изпълнение на страничния борд плосък профил
Изпълнение на шпросите Перфориран профил
Материал Стомана
Неръждаема стомана, байцвана не
Отстояние 0,5 kN/m
Отстояние 2,0 м 3,1 kN/m
Отстояние 2,5 м 2 kN/m
Отстояние 3,0 м 1,4 kN/m
Отстояние 3,5 м 0,9 kN/m
Отстояние 4,0 м 0,65 kN/m
Отстояние 4,5 м 0,55 kN/m
Отстояние 6,0 м 0,15 kN/m
Повърхност Лентово поцинкованe
Полезно сечение 568 cm²
Полезно сечение 56800 mm²
Размер 110x600x3000
Размер на шлица на шпроса 16,50
Размер B 600 mm
Размери 110x600x3000
Разстояние между напречните шпроси 300 mm
Странична перфорация да
Съхраняване на функционалността не
Цвят цвят цинк
Ширина 600 mm

Технически данни

Диаграма на натоварване за кабелна стълба тип LG 110 VS

Диаграма на натоварване за кабелна стълба тип LG 110 VS
  • Permitted cable tray/ladder load in kN/m without man load Permitted cable tray/ladder load in kN/m without man load
  • Support width in m Support width in m
  • Rail bend in mm at permitted kN/m Rail bend in mm at permitted kN/m
  • Load scheme during testing Load scheme during testing
  • Load curve with cable tray/ladder width in mm Load curve with cable tray/ladder width in mm
  • Strut bend curve according to support width Strut bend curve according to support width
Всички типове

Всички типове

Тип Дължина Ширина Дебелина на борда Съхраняване на функционалността Материал Повърхност Кат. № Количество мин. VKE
LG 112 VS 3 FS 3000 mm 200 mm 1,5 mm не Стомана Лентово поцинкованe 6216404
3 m
LG 113 VS 3 FS 3000 mm 300 mm 1,5 mm не Стомана Лентово поцинкованe 6216407
3 m
LG 114 VS 3 FS 3000 mm 400 mm 1,5 mm не Стомана Лентово поцинкованe 6216410
3 m
LG 115 VS 3 FS 3000 mm 500 mm 1,5 mm не Стомана Лентово поцинкованe 6216413
3 m
LG 116 VS 3 FS 3000 mm 600 mm 1,5 mm не Стомана Лентово поцинкованe 6216416
3 m
Принадлежности

Системни принадлежности

Продукти Тип Кат. № Количество мин. VKE
Капак със затварящи ключета FS Капак със затварящи ключета FS DRL 600 FS 6052606
3 m
Надлъжен съединител 110 FS Надлъжен съединител 110 FS LVG 110 FS 6216545
10 Брой
Ъглов съединител 110 FS Ъглов съединител 110 FS LWVG 110 FS 6216587
10 Брой
Шарнирен съединител 110 FS Шарнирен съединител 110 FS LGVG 110 FS 6216650
10 Брой
Мултифункционален съединител 110 FS Мултифункционален съединител 110 FS LMFV 1160 FS 6225758
1 Брой
Ъгъл 90° 110 FS Ъгъл 90° 110 FS LB 90 1160 R3 FS 6225130
1 Брой
T-отклонение 110 FS T-отклонение 110 FS LT 1160 R3 FS 6225298
1 Брой
Странично отклонение 110 FS Странично отклонение 110 FS LAA 1160 R3 FS 6225918
1 Брой
Шарнирен елемент за вертикален ъгъл 110 FS Шарнирен елемент за вертикален ъгъл 110 FS LGBE 1160 FS 6225498
1 Брой
Предпазна капачка 110 Предпазна капачка 110 SKH 110 OR 6222553
20 Чифт
Свързващ елемент за разклонения 110 FS Свързващ елемент за разклонения 110 FS LAS 110 FS 6221416
10 Брой
Разделителна стена 85 FS Разделителна стена 85 FS TSG 85 FS 6062114
3 m
Подложна ламарина FS Подложна ламарина FS ELB-L 60 FS 6103332
3 m
Изтегляния

Изтегляне

ЕС Декларация за съответствие LG 116 VS 3 FS / 6216416 , 0.13MB , pdf
Изтегляне
Декларация за съответствие Великобритания LG 116 VS 3 FS / 6216416 , 0.09MB , pdf
REACH Декларация за съответствие LG 116 VS 3 FS / 6216416 , 0.12MB , pdf
RoHS Декларация за съответствие LG 116 VS 3 FS / 6216416 , 0.12MB , pdf
Декларация за екологичен продукт (EPD) LG 116 VS 3 FS / 6216416 , 1.48MB , pdf
Изтегляне

Изтегляне
Ръководство за монтаж General information on the mounting , 2.65MB , pdf
Изтегляне

LG 116 VS 3 FS / 6216416
Изтегляне