Капак за вертикален ъгъл 90°, слизащ, 85 FS

Кат. № 7131010 | Електронен артикулен номер (EAN) 4012195712039

0,75 mm
Описание на продукта
Описание на продукта
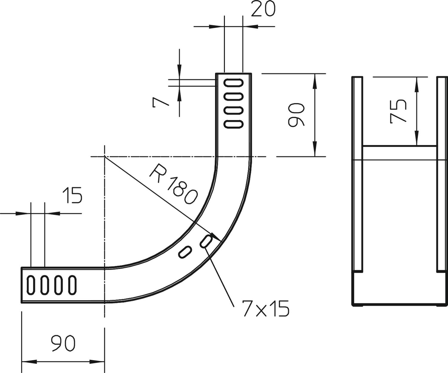
Капак за низходящи вертикални ъгли с височина на борда 85 мм.

Закрепването се гарантира чрез припокриването на капаците на кабелните скари. Допълнително може да се закрепи капакът със скоби за капак.

  • Communautés Européennes, EG Декларация за съответствие по директивите на EС
  • CO₂ footprint (PCF)
Технически данни

Въглероден отпечатък CO2 (Product Carbon Footprint)

CO2 отпечатък (GWP) от люлка до портата 4,7391 кг CO2e / 1 брой
Вид закрепване Въртящо се ключе
Височина 85 mm
Дебелина на ламарината 0,03 in
Дебелина на ламарината 0,75 mm
Материал Стомана
Неръждаема стомана, байцвана не
Повърхност Лентово поцинкованe
Приложение за кабелна скара да
Приложение за кабелна стълба не
Приложение за телена скара не
Промяна на посоката вертикален, низходящ
Разклонение (ъгъл) 90°
Размер B 600 mm
Размери B600mm
С шарнирна връзка не
Съхраняване на функционалността не
Цвят цвят цинк
Ширина 600 mm
Ширина 24 in
Всички типове

Всички типове

Тип Ширина Дебелина на ламарината Кат. № Количество мин. VKE
DBV 85 100 F FS 100 mm 0,75 mm 7130990
1 Брой
DBV 85 200 F FS 200 mm 0,75 mm 7130994
1 Брой
DBV 85 300 F FS 300 mm 0,75 mm 7130998
1 Брой
DBV 85 400 F FS 400 mm 0,75 mm 7131002
1 Брой
DBV 85 500 F FS 500 mm 0,75 mm 7131006
1 Брой
DBV 85 600 F FS 600 mm 0,75 mm 7131010
1 Брой
Изтегляния

Изтегляне

Сборник с инструкции KTS cable tray systems , 1.61MB , pdf
Изтегляне

ЕС Декларация за съответствие DBV 85 600 F FS / 7131010 , 0.14MB , pdf
Изтегляне
REACH Декларация за съответствие DBV 85 600 F FS / 7131010 , 0.12MB , pdf
RoHS Декларация за съответствие DBV 85 600 F FS / 7131010 , 0.12MB , pdf

Ръководство за монтаж General information on the mounting , 2.65MB , pdf
Изтегляне

DBV 85 600 F FS / 7131010
Изтегляне