Носеща скара за осветителни тела FS

Кат. № 6055812 | Електронен артикулен номер (EAN) 4012196943937

75 mm
0,75 mm
Стомана
Лентово поцинкованe
Описание на продукта
Описание на продукта
Носеща скара за осветителни тела с перфорирано дъно, за полагане на кабели и за монтаж на осветителни тела.
Магнитно затихване чрез екраниране без капак 20 dB, с капак 50 dB.

При бялата конструкция става дума за покритие на видимите повърхности.

  • Магнитно затихване чрез екраниране
  • Communautés Européennes, EG Декларация за съответствие по директивите на EС
  • Кабелна скара, височина на борда 60 мм
  • Environmental Product Declaration (EPD)
  • CO₂ footprint (PCF)
Технически данни

Въглероден отпечатък CO2 (Product Carbon Footprint)

CO2 отпечатък (GWP) от люлка до портата 2,8026 кг CO2e / 1 Метър
Вид на съединителя система за носене на кабели завинтено
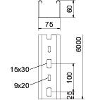
Височина 60 mm
Дебелина на ламарината 0,75 mm
Дължина 6000 mm
Изпълнение съединител без съединители
Материал Стомана
Монтажни отвори в основата да
Неръждаема стомана, байцвана не
Отстояние 1,5 м 0,8 kN/m
Отстояние 2,0 м 0,55 kN/m
Отстояние 2,5 м 0,35 kN/m
Отстояние 3,0 м 0,25 kN/m
Повърхност Лентово поцинкованe
Полезно сечение 42 cm²
Размери 60x75x6000
Странична перфорация да
Тип тест на натоварване по IEC 61537 Тип II
Цвят цвят цинк
Ширина 75 mm

Технически данни

Диаграма на натоварване на носеща скара за осветителни тела тип LTR

Диаграма на натоварване на носеща скара за осветителни тела тип LTR
  • Permitted cable tray/ladder load in kN/m without man load Permitted cable tray/ladder load in kN/m without man load
  • Support width in m Support width in m
  • Rail bend in mm at permitted kN/m Rail bend in mm at permitted kN/m
  • Load scheme during testing Load scheme during testing
  • Load curve with cable tray/ladder width in mm Load curve with cable tray/ladder width in mm
  • Strut bend curve according to support width Strut bend curve according to support width
Всички типове

Всички типове

Тип Дължина Ширина Дебелина на ламарината Материал Повърхност Кат. № Количество мин. VKE
LTR 3000 FS 3000 mm 75 mm 0,75 mm Стомана Лентово поцинкованe 6055810
3 m
LTR 6000 FS 6000 mm 75 mm 0,75 mm Стомана Лентово поцинкованe 6055812
6 m
Принадлежности

Системни принадлежности

Продукти Тип Кат. № Количество мин. VKE
Капак със затварящи ключета FS Капак със затварящи ключета FS DRL 075 FS 6052029
3 m
Комплект надлъжни съединители 60 FS Комплект надлъжни съединители 60 FS RV 607 FS 6068150
10 Брой
Средно окачване за носеща скара за осветителни тела FS Средно окачване за носеща скара за осветителни тела FS MAH LTR FS 6358810
25 Брой
Изтегляния

Изтегляне

Сборник с инструкции KTS cable tray systems , 1.61MB , pdf
Изтегляне

ЕС Декларация за съответствие LTR 6000 FS / 6055812 , 0.13MB , pdf
Изтегляне
REACH Декларация за съответствие LTR 6000 FS / 6055812 , 0.12MB , pdf
RoHS Декларация за съответствие LTR 6000 FS / 6055812 , 0.12MB , pdf
Декларация за екологичен продукт (EPD) LTR 6000 FS / 6055812 , 1.48MB , pdf
Изтегляне

Ръководство за монтаж General information on the mounting , 2.65MB , pdf
Изтегляне

LTR 6000 FS / 6055812
Изтегляне