Кабелна стълба LG 110, 6 м VS FT

Кат. № 6216477 | Електронен артикулен номер (EAN) 4012195065432

6000 mm
1,5 mm
не
Стомана
Горещо поцинкованe чрез потапяне
Описание на продукта
Описание на продукта
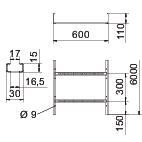
Кабелна стълба с перфориран борд с височина 110 мм със занитени, отворени нагоре C-профилни шпроси.
Магнитно затихване чрез екраниране без капак 10 dB, с капак 15 dB.

Кабелната стълба се доставя в сгънато състояние.

Подходящата BBS-скоба тип 2056 ще намерите в раздел „Системи стълби“.

  • Магнитно затихване чрез екраниране
  • Communautés Européennes, EG Декларация за съответствие по директивите на EС
  • UKCA декларация за съответствие
  • Кабелна стълба, височина на борда 110 mm
  • Environmental Product Declaration (EPD)
  • CO₂ footprint (PCF)
Технически данни

Въглероден отпечатък CO2 (Product Carbon Footprint)

CO2 отпечатък (GWP) от люлка до портата 10,9889 кг CO2e / 1 Метър
Височина 110 mm
Дебелина на борда 1,5 mm
Дължина 6000 mm
Едрогабаритно изпълнение не
Закрепване на шпросата занитване
Изпълнение на страничния борд плосък профил
Изпълнение на шпросите Перфориран профил
Материал Стомана
Неръждаема стомана, байцвана не
Отстояние 0,5 kN/m
Отстояние 2,0 м 3,1 kN/m
Отстояние 2,5 м 2 kN/m
Отстояние 3,0 м 1,4 kN/m
Отстояние 3,5 м 0,9 kN/m
Отстояние 4,0 м 0,65 kN/m
Отстояние 4,5 м 0,55 kN/m
Отстояние 6,0 м 0,15 kN/m
Повърхност Горещо поцинкованe чрез потапяне
Полезно сечение 56800 mm²
Полезно сечение 568 cm²
Размер 110x600x6000
Размер на шлица на шпроса 16,50
Размер B 600 mm
Размери 110x600x6000
Разстояние между напречните шпроси 300 mm
Странична перфорация да
Съхраняване на функционалността не
Цвят цвят цинк
Ширина 600 mm

Технически данни

Диаграма на натоварване за кабелна стълба тип LG 110 VS

Диаграма на натоварване за кабелна стълба тип LG 110 VS
  • Permitted cable tray/ladder load in kN/m without man load Permitted cable tray/ladder load in kN/m without man load
  • Support width in m Support width in m
  • Rail bend in mm at permitted kN/m Rail bend in mm at permitted kN/m
  • Load scheme during testing Load scheme during testing
  • Load curve with cable tray/ladder width in mm Load curve with cable tray/ladder width in mm
  • Strut bend curve according to support width Strut bend curve according to support width
Всички типове

Всички типове

Тип Дължина Ширина Дебелина на борда Съхраняване на функционалността Материал Повърхност Кат. № Количество мин. VKE
LG 112 VS 6 FT 6000 mm 200 mm 1,5 mm не Стомана Горещо поцинкованe чрез потапяне 6216465
6 m
LG 113 VS 6 FT 6000 mm 300 mm 1,5 mm не Стомана Горещо поцинкованe чрез потапяне 6216468
6 m
LG 114 VS 6 FT 6000 mm 400 mm 1,5 mm не Стомана Горещо поцинкованe чрез потапяне 6216471
6 m
LG 115 VS 6 FT 6000 mm 500 mm 1,5 mm не Стомана Горещо поцинкованe чрез потапяне 6216474
6 m
LG 116 VS 6 FT 6000 mm 600 mm 1,5 mm не Стомана Горещо поцинкованe чрез потапяне 6216477
6 m
Принадлежности

Системни принадлежности

Продукти Тип Кат. № Количество мин. VKE
Капак със затварящи ключета FT Капак със затварящи ключета FT DRL 600 FT 6051472
3 m
Надлъжен съединител 110 FT Надлъжен съединител 110 FT LVG 110 FT 6216548
10 Брой
Шарнирен съединител 110 FT Шарнирен съединител 110 FT LGVG 110 FT 6216653
10 Брой
Мултифункционален съединител 110 FT Мултифункционален съединител 110 FT LMFV 1160 FT 6225780
1 Брой
Ъгъл 90° 110 FT Ъгъл 90° 110 FT LB 90 1160 R3 FT 6225152
1 Брой
T-отклонение 110 FT T-отклонение 110 FT LT 1160 R3 FT 6225320
1 Брой
Странично отклонение 110 FT Странично отклонение 110 FT LAA 1160 R3 FT 6225940
1 Брой
Шарнирен елемент за вертикален ъгъл 110 FT Шарнирен елемент за вертикален ъгъл 110 FT LGBE 1160 FT 6225520
1 Брой
Предпазна капачка 110 Предпазна капачка 110 SKH 110 OR 6222553
20 Чифт
Свързващ елемент за разклонения 110 FT Свързващ елемент за разклонения 110 FT LAS 110 FT 6221424
10 Брой
Разделителна стена 85 DD Разделителна стена 85 DD TSG 85 DD 6062331
3 m
Подложна ламарина DD Подложна ламарина DD ELB-L 60 DD 6103368
3 m
Изтегляния

Изтегляне

ЕС Декларация за съответствие LG 116 VS 6 FT / 6216477 , 0.13MB , pdf
Изтегляне
Декларация за съответствие Великобритания LG 116 VS 6 FT / 6216477 , 0.09MB , pdf
REACH Декларация за съответствие LG 116 VS 6 FT / 6216477 , 0.12MB , pdf
RoHS Декларация за съответствие LG 116 VS 6 FT / 6216477 , 0.13MB , pdf
Декларация за екологичен продукт (EPD) LG 116 VS 6 FT / 6216477 , 1.48MB , pdf
Изтегляне

Изтегляне
Ръководство за монтаж General information on the mounting , 2.65MB , pdf
Изтегляне

LG 116 VS 6 FT / 6216477
Изтегляне